发布时间:2020-11-09
引言:为加强医疗器械注册工作的监督和指导,进一步提高注册审查质量,国家药品监督管理局组织制定了《牙科车针注册技术审查指导原则》《一次性使用配药用注射器注册技术审查指导原则》《一次性使用皮肤缝合器注册技术审查指导原则(2019年修订)》,并于2019年4月发布。
附件:牙科车针注册技术审查指导原则(2019年第16号).doc
本指导原则旨在为申请人进行牙科车针注册申报提供技术指导,同时也为药品监督管理部门对注册申报资料的审评提供技术参考。
本指导原则是对牙科车针注册申报资料的一般要求, 申请人应依据具体产品的特性对注册申报资料的内容进行充实和细化,并依据具体产品的特性确定其中的具体内容是否适用,若不适用,需具体阐述其理由及相应的科学依据。
本指导原则是对申请人和审查人员的指导性文件, 但不包括注册审批所涉及的行政事项, 亦不作为法规强制执行, 如果有能够满足相关法规要求的其他方法, 也可以采用, 但是需要提供详细的研究资料和验证资料。 应在遵循相关法规和标准的前提下使用本指导原则。
本指导原则是在现行法规和标准体系以及当前认知水平下制定的,随着法规和标准的不断完善, 以及科学技术的不断发展,本指导原则相关内容也将进行适时的调整。
一、适用范围
本指导原则的适用范围为《医疗器械分类目录》中的 17 口腔科器械 -04 口腔科治疗器具;按照第二类医疗器械管理。
牙科或者口腔科临床使用车针,主要用来切削牙体组织,以达到去除病变组织,或者治疗钻孔或制备牙体,以符合临床进一步治疗和恢复牙体外形的需要,牙科车针既可以用于临床,也可用于牙科技工室;参照《关于氧气流量计等产品分类界定的通知》(国食药监械〔 2003〕310 号)中 “五、金刚砂(玻璃砂):用于牙科技工室打磨铸件的表面。不作为医疗器械管理。”的规定,专用于技工室的,或临床医生也使用但只用来磨改牙科各类修复体的车针不作为医疗器械产品或仅作为第一类医疗器械产品管理,不适用于本指导原则。
二、技术审查要点
(一)产品名称要求
从牙科学的角度看,车针属牙科旋转器械大类的一个分类,其命名应符合 ISO 标准旋转器械的分类及编码系统的要求, 同时应符合《医疗器械通用名称命名规则》 (国家食品药品监督管理总局令第 19 号)、《医疗器械分类目录》 、国家标准或行业标准上的通用名称为依据命名。产品名称可以为车针、金刚砂车针、 钢质车针和硬质合金车针。
型号应根据主要材质、 形态和驱动方式不同命名, 如高速钨钢球形车针、低速金刚砂轮形车针、低速不锈钢柱形车针、 切盘等。尽量减少用球钻、裂钻等这样的简称。

图 1 高速金刚砂车针

图 2 低速钨钢车针

图 3 低速钨钢车针
(二)产品的结构和组成
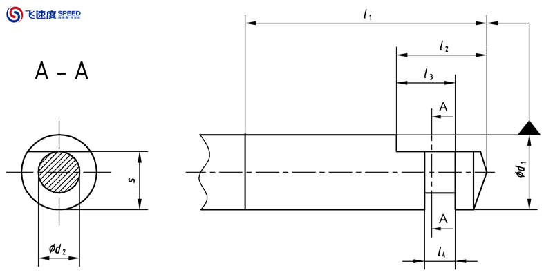
牙科车针主要由两部分组成:工作部分和连接的柄,如图 4所示。

图 4 金刚砂车针( L 1 为工作部分, L 2 为柄部,相连接部分为颈部)
1.柄的类型:车针的柄又称杆,主要包括:低速弯手机连接的类型 1,高速手机连接的类型 3,和与低速直手机连接的类型2 和 4,如图 5。

类型 1 杆

类型 2 和 4 类型 3

图 5 杆的类型
柄的材料一般采用不锈钢制成,也有用塑料的、陶瓷的。医疗器械行业对这三个类型的杆均有相应的标准。
2.工作部分
工作部分是牙科车针的主体, 车针材质分为硬质合金、 不锈钢和金刚石。工作部分的形态分为球形、柱形、锥形、倒锥形、轮形、梨形、火焰形等, 其形态和尺寸均有相应的标准明确规定,允许注册申请人根据临床的需求增加开发和设计新的形态和尺寸的工作部分。
(三)产品工作原理 /作用机理
牙科车针是一种口腔治疗用旋转器械, 不可独立使用, 必需与牙科手机连接方可应用, 与手机连接部分即为其柄或杆, 柄或杆与手机的连接的方式分卡扣式和摩擦式。类型 1 柄为卡扣式,其他类型均为摩擦式。
车针工作方式主要分为刃切削和磨料切削。 刃切削的材料主要为硬质合金和不锈钢, 而磨料切削目前主要为天然金刚石粉或金刚砂粉。
加工切削刃需要采取机械加工、 研磨和热处理, 切削刃的形状、数量和深度决定了切削的效率。 而磨料切削是通过结合剂将磨料与基底材料结合到一起, 通常的基底材料为不锈钢, 磨料颗粒大小的不同产生不同的切削效果。
(四)注册单元划分的原则和实例
应根据产品的预期用途、技术结构、性能指标等进行综合判定,产品预期用途、 技术结构、 主要性能指标基本类似的情况下,产品外观、功能、结构形式有一定差异,原则上可作为同一注册单元申报。
1.不同材质的车针应分成不同的注册单元,金刚砂车针与非金刚砂车针应分成不同注册单元;
2.工作部分形态不同的车针可划分为一个注册单元;
3. 钢质或硬质合金标准型和抛光型各有一个对应的标准, 但可以作为一个注册单元;
4. 金刚砂车针、切盘属于同一注册单元。
(五)产品适用的相关标准
具体相关的常用标准列举如下:
表 1 相关标准
| 标准编号 | 标准名称 |
| GB/T 191—2008 | 《包装储运图示标志》 |
| GB/T 9937.3—2008 | 《口腔词汇 第3部分:口腔器械》 |
| GB/T 14233.1—2008 | 《医用输液、输血、注射器具检验方法 第1部分:化学分析方法》 |
| GB/T 14233.2—2005 | 《医用输液、输血、注射器具检验方法 第2部分:生物学试验方法》 |
| YY/T 1011—2014 | 《牙科 旋转器械-公称直径和标号》 |
| YY 0761.1—2009 | 《牙科旋转器械 金刚砂车针 第1部分:尺寸、要求、标记和包装》 |
| YY/T 0805.2—2014 | 《牙科学 金刚石旋转器械 第2部分:切盘》 |
| YY/T 0805.3—2010 | 《牙科学 金刚石旋转器械 第3部分:颗粒尺寸、命名和颜色代码》 |
| YY 0302.1—2010 | 《牙科旋转器械 车针 第1部分:钢质和硬质合金车针》 |
| YY 0302.2—2016 | 《牙科学 旋转器械车针 第2部分:修整用车针》 |
| ISO 7787-1—2016/ GB/T 36917.1-2018 | 《牙科 实验室刀具 第1部分:实验室钢制刀具》 |
| ISO 7787-2—2000/ GB/T 36917.2—2018 | 《牙科旋转器械——切割工具 第2部分:技工室用硬质合金刀具》 |
| ISO 7787-3—2017 | 《牙医 实验室刀具 第3部分 铣床硬质合金刀具》 |
| ISO 7787-4—2002 | 《牙科旋转器械 切刀器 第4部分:小型硬质合金切刀》 |
| YY/T 0874—2013 | 《牙科学旋转器械试验方法》 |
| ISO 1797—2017 | 《牙科学 旋转和摆动仪器支架》 |
| YY 1045.1—2009 | 《牙科手机 第1部分:高速气涡轮手机》 |
| YY 1045.2—2010 | 《牙科手机 第2部分:直手机和弯手机》 |
| YY/T 0873.1—2013 | 《牙科旋转器械的数字编码系统 第1部分:一般特征》 |
| YY/T 0873.2—2014 | 《牙科 旋转器械的数字编码系统 第2部分:形状》 |
| YY/T 0873.3—2014 | 《牙科 旋转器械的数字编码系统 第3部分:车针和刃具的特征》 |
| YY/T 0873.4—2014 | 《牙科 旋转器械的数字编码系统 第4部分:金刚石器械的特征》 |
| GB 18278.1—2015 | 《医疗保健产品灭菌 湿热 第1部分:医疗器械灭菌过程的开发、确认和常规控制要求》 |
| GB 18279.1—2015 | 《医疗保健产品灭菌 环氧乙烷 第1部分:医疗器械灭菌过程的开发、确认和常规控制的要求》 |
| GB/T 18279.2—2015 | 《医疗保健产品的灭菌 环氧乙烷 第2部分:GB 18279.1应用指南》 |
| GB 18280.1—2015 | 《医疗器械保健产品灭菌 辐射 第1部分:医疗器械灭菌过程的开发、确认和常规控制要求》 |
| GB 18280.2—2015 | 《医疗保健产品灭菌 辐射 第2部分:建立灭菌剂量》 |
| GB/T 18280.3—2015 | 《医疗保健产品灭菌 辐射 第3部分:剂量测量指南》 |
| WS 310.1—2016 | 《医院消毒供应中心 第1部分:管理规范》 |
| WS 310.2—2016 | 《医院消毒供应中心 第2部分:清洗消毒及灭菌技术操作规范》 |
| WS 310.3—2016 | 《医院消毒供应中心 第3部分:清洗消毒及灭菌效果监测标准》 |
| WS/T 367—2012 | 《医疗机构消毒技术规范》 |
| YY/T 0681.1—2009 | 《无菌医疗器械包装试验方法 第1部分:加速老化试验指南》 |
(注:本指导原则中标准适用最新版本,下同)
上述标准包括了产品技术要求中涉及到的标准。 有的注册申请人还会根据产品的特点引用一些行业外的标准及一些较为特殊的标准。
对产品适用及引用标准的审查可以分三步来进行。
首先对引用标准的齐全性和适宜性进行审查,也就是在编写产品技术要求时是否引用了与产品相关的国家标准、行业标准,以及引用是否准确。此时,应注意标准编号、 标准名称是否完整规范,年代号是否有效。
其次对引用标准的采纳情况进行审查。 即所引用的标准中的条款要求, 是否在产品技术要求中进行了实质性的条款引用。 这种引用通常采用两种方式, 文字表述繁多内容复杂的可以直接引用标准及条文号,比较简单的也可以直接引述具体要求。
如有新版强制性国家标准、行业标准发布实施,产品性能要求中性能指标要求应执行最新版本的国家标准、行业标准。
最后对标准的内容进行审查。
(六)产品的适用范围 /预期用途 /禁忌症
车针由口腔科医生使用,主要用来进行钻、 磨和切削牙齿用,也用来磨改或磨除牙科充填物、修复体等。
(七)产品的主要风险
牙科车针的风险管理报告应符合 YY/T 0316 —2016《医疗器械风险管理对医疗器械的应用》的有关要求,审查要点包括:
1.与产品有关的安全性特征判定可参考 YY/T 0316 — 2016的附录 C;
2.危害、可预见的事件序列和危害处境判断可参考 YY/T0316 — 2016 附录 E;
3.风险控制的方案与实施、综合剩余风险的可接受性评价及生产和生产后监视相关方法可参考 YY/T 0316 — 2016 附录 F、G、J;
4.风险可接收准则,降低风险的措施及采取措施后风险的可接收程度,是否有新的风险产生。
以下依据 YY/T 0316 — 2016的附录 E 从多个方面列举了牙科车针可能存在的危害因素,提示审查人员可从以下方面考虑。
表2 危害清单
| 能量危害示例 | 生物学和化学 危害示例 |
操作危害示例 | 信息危害示例 |
| 线电压(网电源): 漏电流 -外壳漏电流; -对地漏电流; -患者漏电流。 电场; 磁场; 热能: 高温; 机械能: 重力 -坠落; -离心力。 振动: 运动零件; 患者的移动和定位。 |
生物学的: 细菌; 病毒; 其他微生物。 再次或交叉污染。 化学的: 工作部分接触唾液、龈沟液和牙体组织的溶解和磨损; 材料生锈。 生物相容性: 镍过敏反应。 |
功能: 不正确或不适当的速度输出或功能; 不正确的测量; 功能的丧失或变坏。 使用错误: 不遵守规则; 缺乏知识; 违反常规。 |
标记: 不完整的使用说明书; 性能特征的不适当的描述; 不适当的预期使用规范; 限制未充分公示。 操作说明书: 医疗器械所使用的附件的规范不适当; 使用前检查规范不适当; 过于复杂的操作说明。 警告: 副作用的警告; 一次性使用医疗器械可能再次使用的危害的警告; 服务和维护规范。 |
表3 危害、可预见的事件序列、危害处境和可发生的损害之间的关系
| 危害 | 可预见的事件序列 | 危害处境 | 损害 |
| 能量危害 | |||
| 电场 磁场 |
与车针共同使用的手机,设计不合理导致电磁场过大影响其他设备的运转。 | 其他设备运转故障。 | 设备故障 |
| 热能 高温 |
转动部分性能不稳定或冷却不够可能导致摩擦高温。 | 设备温度太高而烫伤病人或操作者。 | 烫伤 |
| 机械能 重力、离心力 -脱落 -甩针 振动 运动零件 患者的移动和定位 |
设计不合理,采购原料不合格,生产过程失控。如:车针柄的不合标准过细,造成手机的夹持力不足或夹轴失效操作时发生车针脱落;车针的同轴度不够,引起过大的振动或摆动。 | 错误的机械能或机械力施加到病人的组织。 | 机械损伤。 |
| 生物学和化学危害 | |||
| 细菌 病毒 其他微生物 |
生产环境和产品清洁未控制好导致产品受污染。 | 使用过程中细菌、病毒或其他微生物进入患者的体内。 | 细菌、病毒等感染。 |
| 消毒、清洁 | 应用部件消毒不完全传染疾病。 | 交叉污染染。 | 传染高致病性疾病。 |
| 残留 | 材料所含化合物的迁移的化学剂生物学危害,清洁或消毒所用消毒剂的残留等。 | 重金属或有毒物质进入人体。 | 过敏或急性毒性反应。 |
| 操作危害-功能 | |||
| 功能的丧失或变坏 | 产品导致功能丧失。如金刚砂车针脱砂,钨钢车针断刃等。 | 使用时导致无法正常使用。 | 治疗中断。 |
| 操作危害-使用错误 不遵守规则 缺乏知识 违反常规 |
错误的使用了产品。 |
损坏产品 或产生非预期的治疗结果。 |
治疗中断或失败。 |
| 重复使用 | 车针可重复使用,但应彻底消毒或灭菌,否则有微生物残留。 | 微生物交叉污染。 | 传染疾病。 |
| 信息危害-标记 | |||
| 不完整的使用说明 性能特征的不适当的描述 |
1.使用说明书、标签等设计错误; 2.标签使用错误。 |
给用户在使用、操作上误导,导致无法正常使用。 | 治疗中断或失败。 |
| 不适当的预期使用规范 限制未充分公示 |
1.设计错误; 2.标签使用错误。 |
给用户在使用、操作上误导,导致无法正常使用。 | 治疗中断或失败。 |
| 信息危害-操作说明书 | |||
| 使用前检查规范不适当 | 操作说明中注意事项未写明或标记不明显; 使用已损坏的产品; 使用了受污染的产品。 |
导致无法正常使用;或出现非预期的结果,如损伤组织,微生物污染等。 | 治疗中断或失败。 微生物感染。 |
| 信息危害-警告 | |||
| 副作用的警告 | 禁忌症的警告未写明或标未不明显; 违反禁忌症使用了产品。 |
患者因治疗发生意外。 | 患者损伤或治疗失败。 |
| 一次性使用医疗器械可能再次使用的危害的警告 | 未写清或标示不明显; 重复使用。 |
使用过程中细菌进入患者的体内。 | 交叉感染。 |
(八)产品的研究要求
1.医疗器械生物学研究:
因车针属于表面接触器械, 与损伤表面接触, 且与人体接触为短期接触, 按 GB/T 16886.1 —2011,车针生物相容性建议评价以下项目:
a) 细胞毒性:应不大于 1 级;
b) 应无迟发型超敏反应;
c) 应无皮内反应。
2.生物安全性研究、动物研究、软件研究不适用。
3.灭菌和消毒工艺研究
牙科车针如无菌供应,灭菌研究应符合 GB 18278.1—2015《医疗保健品灭菌 湿热 第 1 部分:医疗器械灭菌过程的开发、确认和常规控制要求》 、GB 18279.1—2015《医疗保健产品灭菌环氧乙烷 第 1 部分:医疗器械灭菌过程的开发、确认和常规控制的要求》、GB/T 18279.2 —2015《医疗保健产品的灭菌 环氧乙烷 第 2 部分: GB 18279.1 应用指南》、GB18280.1—2015《医疗器械保健产品灭菌 辐射 第 1 部分:医疗器械灭菌过程的开发、确认和常规控制要求》 、GB 18280.2—2015《医疗保健产品灭菌辐射 第 2 部分:建立灭菌剂量》 、GB/T 18280.3 —2015《医疗保健产品灭菌 辐射 第 3 部分:剂量测量指南》的规定。
牙科车针如由医疗机构清洗消毒,说明书提供的清洗消毒方法应提供相应的研究资料,应符合 WS 310.1—2016《医院消毒供应中心 第 1 部分:管理规范》 、WS 310.2 —2016《医院消毒供应中心 第 2 部分:清洗消毒及灭菌技术操作规范》 、WS310.3—2016《医院消毒供应中心 第 3 部分:清洗消毒及灭菌效果监测标准》及 WS/T 367 —2012 《医疗机构消毒技术规范》的要求。
4.有效期和包装研究
无菌供应的牙科车针可参考 YY/T 0681.1 —2009 《无菌医疗器械包装试验方法 第 1 部分:加速老化试验指南》进行包装研究。
(九)产品技术要求的主要性能指标
本条款给出了牙科车针基本技术性能指标,给出了一般要求,其他性能指标注册申请人可参考相应的国家标准、 行业标准,根据自身产品的技术特点制定相应的标准, 但不得低于相关强制性国家标准、行业标准的有关要求。
如有不适用条款(包括国家标准、行业标准要求) ,注册申请人在研究资料的产品性能研究中必须说明理由。
牙科车针仅有质量控制指标 :
1.柄或杆的要求
车针的杆应符合 YY 0761.1—2009、YY/T 0805.2—2014、YY/T 0805.3 —2010、YY 0302.1 —2010 中的相应要求。 重点审查对尺寸和材质的要求。
2.工作部分
2.1 金刚砂车针
应符合 YY 0761.1—2009、YY/T 0805.2—2014 和 YY/T0805.3—2010 的要求。
2.2 钢质和硬质合金车针
应符合 YY 0302.1 —2010 和 YY 0302.2 —2016 的规定。
注册申请人对车针工作部分的要求是产品的核心, 除对该部分要求做出符合有关标准要求的规定, 并能够实现检测外, 应对如何实现产品的品质要求、 如何控制产品质量的关键点进行简要介绍。
3.工作部分的公称直径与编码
应符合 YY/T 1011 —2014 《牙科 旋转器械 -公称直径和标号》的规定。即工作部分的直径以一组三位数编码表示,以 0.1mm为单位,如 2mm 直径的球钻,其公称直径编号即为 020,18mm直径的金刚砂切盘,其公称直径编号即为 180。
4.产品编码
注册申请人应注明其是否采用 YY/T 0873 系列标准对自己的产品进行编码,及如何编码进行说明,如金刚砂车针是采用15 位还是 18 位编码。
5.无菌(若适用)
按照 GB/T 14233.2 —2005 规定方法进行,应无菌。
6.环氧乙烷残留(若适用)
按照 GB/T 14233.1—2008 规定方法进行,残留量应不大于10μg/g 。
(十)同一注册单元内注册检验典型性产品确定原则和实例
典型产品应是同一注册单元内能够代表本单元内其他产品安全性和有效性的产品 ,应考虑技术指标及性能不改变、功能可以达到最齐全、结构最复杂、风险最高的产品。
若结构相同或相近, 一般情况下, 较为复杂的可以替代简单的。
若牙科车针主要材质、形态和驱动方式不同 ,应分别检测 ,如高速钨钢球形车针、 低速金刚砂轮形车针、 低速不锈钢柱形车针、切盘等。
若牙科车针使用的材质、工艺基本原理、预期用途、 主要技术性能指标相同,仅工作部分的直径和长度等尺寸的数据不同,建议抽取最常用形状和最常用的规格型号为典型产品。
若工作部分的形态不同, 每种工作部分的形态应抽取规格型号为典型产品。
注册申请人申请的所有型号规格均应提交注册检验, 或者提供所检验产品能够代表本注册单元内其他产品的安全性、 有效性评价说明,必要时提供差异性注册检验报告。
(十一)产品生产制造相关要求
车针产品的生产环境不需要特殊控制。
(十二)产品的临床评价要求
根据《关于公布新修订免于进行临床试验医疗器械目录的通告》(国家药品监督管理局通告 2018年第 94号,以下简称《目录》)的规定,牙科车针由柄(钢或适合的材料)和头部工作端(钢或硬质合金、金刚石等制成)组成,可按柄及头部的材质、型式、尺寸等不同分为若干型号及规格; 用来切削牙体组织, 以去除病变组织,治疗钻孔或制备牙体,可以豁免临床试验。
注册申请人应按《医疗器械临床评价技术指导原则》 (国家食品药品监督管理总局通告 2015年第 14号)的要求提交临床评价资料,具体要求如下:
(一)提交申报产品相关信息与《目录》所述内容的对比资料;
(二)提交申报产品与《目录》中已获准境内注册医疗器械的对比说明, 对比说明应当包括 《申报产品与目录中已获准境内注册医疗器械对比表》和相应支持性资料。
提交的上述资料应能证明申报产品与 《目录》 所述的产品具有等同性。若无法证明申报产品与《目录》产品具有等同性,则应按照《医疗器械临床评价技术指导原则》 其他要求开展相应工作。
(十三)产品的不良事件历史记录
暂未收到相关不良事件报告。
(十四)产品说明书和标签要求
产品说明书一般包括使用说明书和技术说明书,两者可合并。说明书、标签和包装标识应符合 《医疗器械说明书和标签管理规定》(国家食品药品监督管理总局令第 6 号)及相关标准的规定。
1.说明书的内容
使用说明书的编写还应符合 YY 0761.1 —2009、YY 1045.1—2009、YY 1045.2 —2010、YY 1045.2 —2010、YY 0837 —2011、YY 0836 —2011、GB/T 9969-2008 的相应要求:
1.1 注册人名称、住所、联系方式;
1.2 产品名称、型号、规格;
1.3 产品技术要求编号、产品注册证号和生产许可证号;
1.4 结构原理;
1.5 性能指标;
1.6 安装和使用方法;
1.7 注意事项;
1.8 维护和保养;
1.9 售后服务。
2.禁忌症、注意事项、警示及提示性说明
2.1 应仔细阅读、理解说明书中全部内容方可操作;
2.2 操作时应遵循包装上的全部警示和说明;
2.3 本产品是特为口腔治疗而制造,不能作为其他用途;
2.4 本产品与牙科手机连接使用,使用时请注意安全;
2.5 本产品仅限于专业口腔科医生使用;
2.6 每次使用时,请预先在患者的口腔外进行运转检查。若发觉有松动、摆动等异常现象,请立即停止使用, 并与原经销商联系;
2.7 车针重复使用时,务必彻底消毒或灭菌;
2.8 发现已经磨损不锋利的车针,应及时更换;
2.9 产品储存和运输应在干燥、 稳定(无摔碰)、远离酸碱等有害化学物质及气体的洁净的常温、 常压、湿度小于 90%的环境中;
2.10 请在旋转完全停止后, 再进行车针的装卸, 切勿在旋转中按压机头盖;
2.11 血友病、意识不清的患者应慎用;
2.12 心脏病患者、孕妇及幼儿慎用。
3.应当在说明书中标明的其他内容
3.1 车针工作部分的材质;
3.2 杆的类型;
3.3 工作部分的形状;
3.4 工作部分的尺寸;
3.5 批号;
3.6 有效期,若适用;
3.7 如果适用,应有 “无菌 ”字样或符号;
3.8 车针清洁和消毒的说明;
3.9 工作的压力和最高转速限制提示。
4.技术说明书内容
一般包括概述、组成、原理、技术参数、规格型号、图示标记说明、外形尺寸标记示例、使用注意事项、储存、运输和保管条件、编码原则和编码示例等。
5.标签和包装标识
5.1 产品内包装上应有下列标识:
5.1.1 型号和规格;
5.1.2 工作部分的形状;
5.1.3 编码;
5.1.4 生产日期。
5.2 包装箱上应有下列标志:
5.2.1 注册人名称、地址、邮政编码和联络方式;
5.2.2 产品名称、型号规格、数量;
5.2.3 批号或生产日期;
5.2.4 毛重和净重;
5.2.5 体积(长 ×宽×高);
5.2.6 产品技术要求号、产品注册号、生产许可证号;
5.2.7 “保持干燥 ”“ 避光日晒 ”等字样或标记其图示标志应符合 GB/T 191 —2008 和 YY/T 0466.1 —2016 中有关规定;
5.2.8 售后服务单位名称、地址、邮政编码和联络方式,箱上的字样或标记应保证不因历时较久而模糊不清。
三、审查关注点
(一)产品技术要求的编制要求。
该产品的安全与性能要求分别由国家标准和行业标准规定的要求进行检查,注册申请人根据产品的特性编写产品技术要求。产品技术要求应符合相关的强制性国家标准、 行业标准和有关法律、法规的规定;
(二)说明书中必须告知用户的信息是否完整;
(三)产品的主要风险是否已经列举, 并通过风险控制措施,使产品的安全性在合理可接受的程度之内;
(四)产品的预期用途是否明确;
(五)注册检测报告应对关键指标 (含关键材料) 进行界定,关键指标主要包括柄的类型及尺寸精度要求、 工作部分的材质及尺寸精度控制,径向跳动和颈部强度及产品的耐腐蚀性等。
四、编写单位
本指导原则由广东省药品监督管理局审评认证中心编写并负责解释。

站点声明:
本网站所提供的信息仅供参考之用,并不代表本网赞同其观点,也不代表本网对其真实性负责。图片版权归原作者所有,如有侵权请联系我们,我们立刻删除。如有关于作品内容、版权或其它问题请于作品发表后的30日内与本站联系,本网将迅速给您回应并做相关处理。
北京飞速度医疗科技有限公司专注于医疗器械、诊断试剂产品政策与法规规事务服务,提供产品注册申报代理、临床合同(CRO)研究、产品研发、GMP质量辅导等方面的技术外包服务。
ONE-STOP SERVICE
免费赠送3万家医疗器械企业名录